Jaaa, aber bevor damit begonnen werden konnte, musste natürlich der Heizraum saniert werden. Wir haben die Wände und Decke gestrichen, den unebenen Betonboden ausgeglichen und anschließend Fliesen gelegt. Gott sei Dank hatte ich einen fleißigen Helfer, der mich immer mit Rat und Tat unterstützt: Mein Vater! Danke!

Als der Heizraum wieder ansehnlich war, wurden der Ofen und die Pufferspeicher an ihren Bestimmungsort gebracht. Allerdings sind die Dinger meist sehr schwer und man muss sich mit einigen Hilfsmitteln helfen.
Die Pufferspeicher habe ich zB. mit meinem Seilzug in der Garage vom Autoanhänger gehoben und auf Rollwagen gelegt, mit denen ich dann diese in den Keller rollen konnte. Stehend wäre ich unmöglich durch die Türen gekommen.



Das war noch der leichte Teil der Übung. Schwieriger war's mit dem Ofen. Abgeholt hab ich das Herzstück mit meinem Hänger und er wurde mir auch mit einer Europalette drauf gehoben. Mit dem Traktor und Palettengabel habe ich zu Hause den Atmos Kessel auch wieder runter gebraucht. Mit dem Hubwagen und Windengestell beförderte diesen danach in den Heizraum. Viel interessanter war es dann allerdings den 400kg Holzvergaser von der Palette zu bekommen.
Ich habe dazu hinter den Ofen einen Gerüstbock und davor ein Leitergerüst gestellt. Auf das Leitergerüst wurde anschließend der Wagenheber platziert. Auf dem Gerüstbock und Wagenheber wird danach ein Holzstaffel gelegt. Ich habe einen mit 10x10cm verwendet. Um den Ofen und den Staffel werden Spanngurte gespannt und festgezogen. Hier habe ich den Fehler gemacht und zu Schwache Spanngurte verwendet (siehe erstes Bild). Mit der stabileren Variante hat's dann aber doch geklappt. Wagenheber anheben und der Ofen "schwebt"



Deinstallieren der alten Heizung
Der 6 Jahre alte Ölofen soll natürlich als alternativer Wärmeerzeuger vorhanden bleiben. Allerdings müssen die alten Heizungsrohre weichen, bzw. ein wenig zurück geschnitten werden.
Bei der Demontage:
Die Heizungsrohre in unserem Haus wurden vor 50 Jahren noch aus Stahl gebaut. Da die Rohre noch tadellos in Schuss sind und Stahl bei Heizungen nicht so unüblich sind bzw. von Korrosion nicht so betroffen sind, habe ich beschlossen diese nicht zu tauschen. Am besten schneidet man diese Heizungsrohre mit der Säbelsäge, da man so keine Brandspuren des Winkelschleifers auf den Wänden produziert. Mit der Gewindeschneidkluppe kann anschließend wieder ein Gewinde auf die noch bestehenden Rohre geschnitten werden. Schneidöl nicht vergessen!

Das Hauptrohr hatte bei mir 1 1/4". Das war eine gute Gelegenheit sich auszupowern, denn da muss man schon anständig an der Stange der Kluppe drücken!
Komponenten montieren
Nach dem Gewinde schneiden, sprich es ist alles vorbereitet zum Verlegen der neuen Leitungen, habe ich die optimale Position des Heizkreisverteilers gesucht und montiert. Dieser sollte an einem Ort angebracht werden, der später auch leicht zugänglich ist. Das gilt übrigens auch für den Rest der Anlage. So habe ich die Pufferspeicher so Platziert, dass ich jederzeit, wenn auch mit Bauch einziehen, noch Zugang in den hintersten Winkel des Raumes habe. Da sind zB. Wasserleitungen verlegt. Der Ofen hätte sicher auch platzsparender positioniert werden, allerdings hätte dies das Reinigen desselben erschwert. usw usw.
Rohre verlegen
Ich habe mich für Kupfer entschieden. Warum? Ein Kessel dieser Größe sollte mit etwa 1" großen Rohren angeschlossen werden. Beim Alu-Verbundrohr wäre das die Dimension 32x3mm welche aber in der Regel in den Baumärkten nicht verfügbar ist. Kupferleitungen sind jedoch mit 28mm und 1mm Wandstärke verfügbar. Da gab's dann nur ein Problem: Ich hatte noch nie sowas gelötet. Ich kann zwar löten, meine Kenntnisse beschränkten sich aber auf das Löten von elektronischen Bauteilen auf Leiterplatten. Dank Youtube und den dort zahlreichen vorhanden Tutorials, habe ich auch das gelernt - und das wichtigste: Es hat funktioniert!
Benötigtes Werkzeug:




Was macht man übrigens wenn man mit den Lötbrenner zwischen zwei Elektrorohren löten muss, diese aber aufgrund der hohen Temperaturen schmelzen würden? Da sollte man mal ein Bier trinken, oder so wie in meinem Fall gleich zwei! Die leeren Bierdosen kann man anschließend aufschneiden und als Schutz verwenden:
Wichtig: Jedes verbaute Ventil, Pumpe, etc. sollte so integriert werden, um einen späteren Tausch der Komponente zu ermöglichen. Dh. es sollten lösbare Verschraubungen und Absperrhähne (Kugelhähne) verbaut werden.
Das hydraulische Schema sieht so aus:
Auch wenn gelötet wird bleibt einem das Arbeiten mit Hanf o.ä. nicht erspart. wie das funktioniert habe ich hier schon mal erklärt.
Ofenrohr
Hier hätte mir ein neues Knie sicher sehr viel Arbeit erspart, aber ich habe ja extrem auf die Kosten geachtet. Verrostete Ofenrohre lösen sich nämlich nicht so einfach von einander, die benötigen schon etwas mehr "Zuwendung" mit dem Hämmerchen.

Mein Kamin ist übrigens mit Ziegel gemauert und hat die Abmessungen 14x14cm. Zugbegrenzer habe ich vorerst mal keinen verbaut.
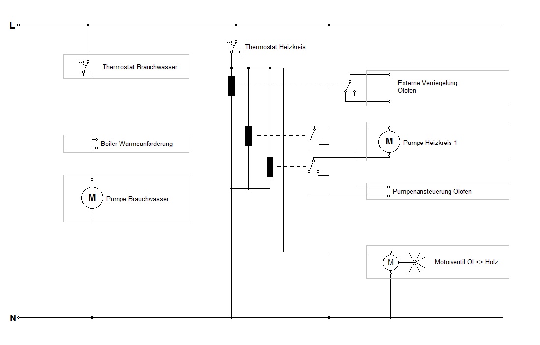
Steuerung
Das war kein großes Ding, da ich ja quasi vom Fach bin... oder meistens so tue als wenn :-)



So ein Anschlußplan wie hier links erleichtert zB. die Fehlersuche sollte in einigen Jahren Fehler auftauchen. Noch weiß ich ja, was wo angeschlossen ist, aber in einem Jahr bestimmt nicht mehr.
Das war's im Großen und Ganzen. Nach den ersten erfolgreichen Heizversuchen kann ich sagen dass das System tadellos funktioniert. Die eine oder andere kleine Änderung wird zwar noch kommen, aber in Summe gesehen tut das Ding was es soll. Es hat sich auch gezeigt, dass sich meine Berechnungen (wie zB. die Größe der Pufferspeicher) auch in der Realität wieder spiegeln.
Kommen wir zu den Zahlen:
Bauzeit (neben 40h Job, exkl. Fliesenlegen,...): 1 Monat
Kosten:
gebrauchte Komponenten (Kessel, Puffer,...): 2200,-
Installationsmaterial: 600,-
neue Heizkörper + Material: 300,-
Der Neupreis der Komponenten wäre bei etwa 7500€ (=günstigster Internetpreis) gelegen. Hätte ich die Heizung bei einem Installateur gekauft und installieren lassen, hätten die Kosten ca. 12000€ betragen (Komponenten teurer, plus Arbeitszeit). Also knapp 9000€ gespart!
Zurück zum theoretischen Teil 1
Atmos Düsenschutz selber bauen
Änderungen bei der Heizung
Zugbegrenzer einbauen
Holzvergaser ins Smart Home integrieren
Atmos Düsenschutz selber bauen
Änderungen bei der Heizung
Zugbegrenzer einbauen
Holzvergaser ins Smart Home integrieren


















Hey Stefan,
AntwortenLöschengroßen Respekt für so ein Projekt... und die Geduld bei der langen Planungs- und Einkaufsphase!
Da kann der Winter ja kommen ;-)
Viele Grüße
Daniel
Dieser Kommentar wurde vom Autor entfernt.
Löschen