Ich habe alles selbst geplant, berechnet, dimensioniert und aufgebaut, ohne dass mich ein Installateur dabei unterstützt hat. Darauf bin ich natürlich besonders stolz.
Kessel
Entschieden habe ich mit für einen Atmos DC 25 GS Holzvergaserkessel. Die Größe reicht für unser Haus locker aus, so dass bei -15°C Außentemperatur maximal 2x pro Tag geheizt werden muss. Der Ofen besitzt KEINE Elektronik und wird nur via 3 Thermostate geregelt. Dieser Umstand war mir besonders wichtig, da ich mich nicht permanent mit irgendwelchen Parametern in den Einstellungen ärgern will. Außerdem ist die Elektronik immer der Schwachpunkt in den meisten Geräten.
ATMOS ist eine tschechische Firma, die schon seit Jahrzehnten Holzkessel dieser Art erfolgreich herstellt und einen guten Ruf haben. Die Technik ist einfach und simpel, dafür aber robust und langlebig.
Es können Scheiter mit 50cm Länge geheizt werden, was mir auch sehr wichtig war.
Mein Ofen wurde vom Vorbesitzer 2 Jahre beheizt.
Rücklaufanhebung
Jeder wasserführende Holzofen sollte mit einer Rücklaufanhebung betrieben werden. Diese mischt dem kalten Rücklaufwasser das aufgeheizte Vorlaufwasser bei, um etwa 60°C zu erreichen. Dadurch wird verhindert, dass die Verbrennungsgase im inneren des Ofens an den kalten Wänden des Wärmetauschers kondensieren und sich das ätzende Kondensat durch das Kesselblech frisst. Zusätzlich pumpt die Pumpe der Rücklaufanhebung auch das erhitzte Vorlaufwasser in die Pufferspeicher.
Ich habe mich für einen 4 Jahre alten Laddomat 21 entschieden. Dieser wird auch von Atmos empfohlen.
Pufferspeicher
Damit der Holzofen nicht immer auf Sparflamme versottet, benötigt dieser einen angemessenen Pufferspeicher, indem die Energie des Holzes zwischengespeichert wird und dann langsam an die Zentralheizung abgegeben wird.
Im Idealfall sollte der Ofen die eingelegte Holzmenge (=Energie), ohne zurück zu regeln, in die Pufferspeicher schieben können. Muss der Ofen zurück regeln, sinkt die Abgastemperaur und der Kamin und Ofen versotten.
Fälschlicher Weise wird zur Dimensionierung der Pufferspeicher immer die Kilowatt-Angabe (kW) des Ofens herangezogen. Die hat aber mit der Größe des Pufferspeichers absolut nichts zu tun. Entscheidend ist das Füllvolumen der Brennkammer des Holzvergasers, die daraus resultierende Holzmenge und die Art des Holzes, wir Hartholz, Weichholz, bzw. Buche, Fichte etc. Mit dem Heizwert des Holzes und der Holzmenge in kg, abzüglich dem Wirkungsgrad des Ofens, ergeben sich so eine gewisse Anzahl an kWh (Kilowattstunden) oder Joule. Mit dieser Zahl kann wiederum berechnet werden, um wie viel °C sich eine gewisse Menge Wasser aufgeheizt werden kann.
Mein Ofen hat eine Brennkammer von ca. 125l was etwa 35kg Holz entspricht. Bei 4kWh pro kg Holz sind das 140kWh, nach Abzug des Wirkungsgrades (85%) ergibt das 119kWh. Ein Puffervolumen von 1600l würde sich mit dieser Energie um 64°C aufheizen. Sprich: bei einer Maximaltemperatur von 90°C im Pufferspeicher, dürfte ich erst wieder bei einheizen, wenn die Temperatur unter 36°C gefallen ist. Soweit zur Theorie. In der Praxis zieht die Zentralheizung schon während des Heizvorgangs Wärme ab und der Brauchwasserspeicher (Boiler) wird aufgeheizt. In der Regel kann daher schon bei unterschreiten von 45°C nachgelegt werden. Alternativ könnte auch weniger Holz eingelegt werden - Trick 17 :-)
Der linke Pufferspeicher ist ein Spezialspeicher, welcher oval ausgeführt wurde und bei 825l eine Höhe von nur 1,6m misst. Alter: 4 Jahre
Der rechte Speicher ist etwa 20 Jahre, rund, knapp 1,90m hoch und fasst 800l. Da sich im Pufferspeicher keine bewegten Teile befinden, hatte ich keine Bedenken einen derart alten Speicher zu kaufen. Die Isolierung wurde damals sogar noch in Aluminium eingefasst...
Ausdehnungsgefäß
Die Größe vom Ausdehnungsgefäß ist abhängig vom Füllvolumen der Heizanlage, da sich ja das Wasser beim Erwärmen ausdehnt, und irgendein Gefäß die zusätzliche Menge Wasser aufnehmen muss. Ideal wären bei meinen Puffer- und Heizkreisvolumen etwa 200l gewesen. Ich habe aber dieses 250l Expansionsgefäß recht günstig erworben und daher habe ich ein größeres verbaut. Größer geht in diesem Fall immer. Wichtig beim Kauf von gebrauchten Ausdehnungsgefäßen: Der interne Druck sollte via Barometer geprüft werden (Reifenprüfer). Liegt er bei etwa 1bar ist die Welt in Ordnung. Man muss aber einberechnen dass pro Jahr etwa 7% des Druckes verloren geht. Gefüllt ist so ein Gefäß mit Stickstoff, damit kein Sauerstoff durch die Gummimembran diffundieren kann und somit zu Oxidation im Heizsystem führen kann.
Mein Ausdehnungsgefäß hat 16 Jahre am Buckel, hatte fast keinen Druck mehr und ich hab's mit Argon (WIG-Schweißen) wieder aufgefüllt.
Heizkreisverteiler
Mein System wurde für 3 Heizkreise ausgelegt, so dass ich einen Heizkreisverteiler für 3 Pumpengruppen verbaut habe. Ein Ausgang ist noch frei und für den Dachbodenausbau vorgesehen. Dieser Verteiler war neu, allerdings bei "willhaben" unter einem irreführenden Namen (Verteilerbalken) angeboten, weshalb ich den Preis drücken konnte. Glück braucht man auch...
Pumpengruppen
Ich verwende eine gemischte und eine ungemischte "Pumpengruppe". Die ungemischte wird verwendet um unser Brauchwasser(Boiler) zu erhitzen. Bei der gemischten Gruppe wird der Vorlauf mit dem Rücklauf so gemischt, dass sich eine vorgegebene Temperatur einstellt. Damit wird verhindert, dass die 90°C des Pufferspeichers direkt in die Heizkörper gelangen, was prinzipiell egal wäre. Diese Variante soll aber energiesparender sein, weil ja dadurch die Heizungsrohre weniger Energie beim Transport verlieren. Ich sehe das allerdings nicht als Verlust an, wenn mein Keller, in dem ja die Rohre verlaufen, mit geheizt wird. Aber bring das mal einen Energieberater bei...
Damit man sich aber an den Heizkörpern nicht verbrennt, verwende ich daher eine gemischte Gruppe. Allerdings nicht irgendeine. Meine Vorlauftemperatur wird mittels Thermostatkopf geregelt. Das funktioniert genauso wie in einem geregelten Wasserhahn, sprich die erwärmte Flüssigkeit im Thermostatkopf (mit externen Fühler) öffnet oder schließt das das Regelventil. Dass alles geschieht ohne Motor oder sonst einen elektronischen Firlefanz. Dumm nur, dass solche Regelungen in Deutschland bei Neuanlagen nicht mehr erlaubt sind... Unsere deutschen Nachbarn schreiben hier eine witterungsgeführte Regelung vor, was bei Brennwertgeräten durchaus Sinn macht, da besserer Wirkungsgrad bei geringerer Vorlauftemperatur. Aber diese Brennwertgeräte gibt es bei Holz- bzw. Pelletsheizungen aufgrund der ätzenden Kondensate (noch) nicht. Somit bleibt nur mehr das Argument der höheren Wärmeabgabe der Heizungsrohre. Heizen muss ich unseren Keller sowieso, da er uns ohne sprichwörtlich unter dem Hintern weg schimmeln würde. Was nun im Keller die Wärme abgibt, also die Rohre oder die Heizkörper bzw. auch beides, ist letztlich egal. Ich verstehe diese Vorschriften manchmal nicht...und bin diesbezüglich froh, Österreicher zu sein! Aber keine Sorge, wir holen diese Vorschriften bestimmt bald auf :-(
Die ungemischte Gruppe habe ich übrigens selbst gebaut, da ich absolut nicht nachvollziehen kann, wie man für eine derartige "Pumpe mit Absperrhahn" gut 400€ verlangen kann?! Würde man sich beide neu kaufen, wechseln gut 1000,- den Besitzer. Warum das so teuer ist kann ich absolut nicht nachvollziehen.
Meine gemischte Gruppe war schon 4 Jahre verbaut, die Pumpe stammt aus der alten Heizung und ist eine mit Energieeffizienzklasse A. Die für's Brauchwasser ist ebenfalls gebraucht ca. 10 Jahre alt und keine Niedrigenergiepumpe. Das wäre auch bei der halben Stunde, die die am Tag läuft völlig übertrieben.

Steuerung
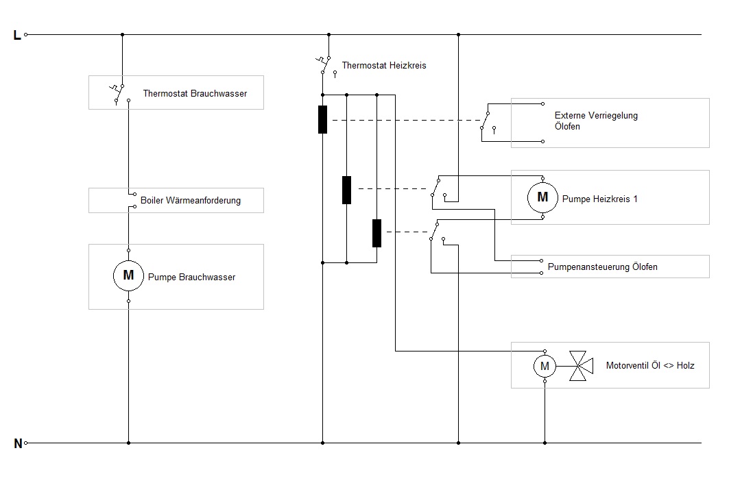
Abgesehen vom Holzvergaserkessel wird die Anlage via 2 Thermostate gesteuert, wobei ein Thermostat fürs Brauchwasser und das anderer für die Heizkreise zuständig ist.
Die Pumpe für das Brauchwasser wird aktiviert, wenn die Vorlauftemperatur am Pufferspeicher über 50°C beträgt und der Boiler Wärme benötigt. Ist die benötigte Wärme nicht vorhanden, erwärmt der Boiler mittels seiner integrierten Wärmepumpe das Wasser.
Die Heizkreise werden vom Pufferspeicher gespeist, solange dieser über 35°C liefert. Ist das nicht mehr der Fall, wird ein Relais geschalten, welches den Ölofen mitteilt, zu Heizen. Gleichzeitig wird das Umschaltventil unter dem Heizkreisverteiler auf Richtung ÖL-Betrieb geschalten. Da der Ölofen die Pumpe des Heizkreises selbstständig Aus und Ein schaltet, wird diese via Relais mit dem Ölofen verbunden.
Für den Laien funktioniert das so: Wird der Holzofen befeuert, werden Heizkörper und Brauchwasser mittels Holz erwärmt. Wird hingegen nicht eingeheizt, läuft der Ölofen für die Heizkörper und die Wärmepumpe fürs Warmwasser, und dass ohne das man einen Schalter umlegen muss und auch ganz ohne Elektronik! Zwei Thermostate regeln das...komplett simpel!

Heizkörper
Da ich ja das ganze Rohrsystem der Heizung entleerte, habe ich auch gleich, wenn nötig, neue Heizkörper installiert. Zwar hätte ich auch bei weitem kleinere Heizkörper verbauen können, allerdings würde ich so mit einer höheren Vorlauftemperatur heizen müssen. Am besten wäre dafür natürlich eine Fußbodenheizung, allerdings hätte ich dazu den kompletten Estrich raus reißen müssen, und da hätte wohl meine Frau nicht mitgespielt. Die alten Gliederheizkörper wurden schon beim Renovieren durch, zum Glück, gleich große Heizkörper moderner Bauart ersetzt. Diese 2000x600mm großen Ungetüme sind zwar maßlos überdimensioniert, aber auch nur wenn man mit 75°C Vorlauf rechnet. Die benötigte Heizleistung wird so aber schon bei 45°C erreicht, und ich kann meine Pufferspeicher effektiver nutzten. Ich sehe leider Gottes immer wieder, dass beim Sanieren Heizkörper durch deutlich kleinere ersetzt werden, da ja bei gleicher Vorlauftemperatur die Leistung eines modernen Heizkörpers deutlich höher ist, als die eines alten. Außerdem ist die Optik komplett dahin, wenn unter einem 2m Breiten Fenster ein nur 80cm breiter Heizkörper schwitzt. Heizkörper sind noch das Günstigste beim Heizen... In Bezug auf Preis/Leistung haben sich die Heizkörper mit 1200x600mm in der 22K (bzw DK, Doppelkammer oder wie auch immer) erwiesen. Da sind fast schon die Ventile und Thermostatköpfe teurer...
Wenn wir schon beim Thema sind: Die Raumtemperatur wird mit Thermostate an den Heizkörpern geregelt, da ja meine Vorlauftemperatur nicht witterungsgeführt ist. Ob das zufriedenstellend funktioniert, kann ich natürlich erst nach der ersten Heizsaison sagen. Immerhin will ich ja auch im Wohnraum unseren Kachelofen nutzen.
Die rot markierte Größe hätte für unseren Vorraum gereicht, allerdings mit 75°C Vorlauf.
Da die alten Heizkörper, hier im Stüberl hinter der Bank, eine Höhe von 700mm hatten, musste ich bei den neuen etwas tricksen. 700mm Hohe Bauformen gibt es heutzutage nicht mehr, 600mm ist Standard.
Das war jetzt alles ziemlich viel Theorie, was aber auch nötig ist. Deutlich praktischer geht's im zweiten Teil zu. Da werde ich berichten wie man u.a. den 400kg Ofen mit nur einer Hand von der Palette stemmt, was die Sanierung des Systems gekostet hat, welche Probleme es gab, uvm...











Vielen Dank für die detaillierte Beschreibung der einzelnen Schritte.
AntwortenLöschenKonnte mir nebenbei beim Lesen gleich eine Liste mit Fragen und ToDo's für den Monteur bei der nächsten Wartung schreiben.
Sehr informativ, welche Form der Verrohrung hast du genutzt? Kunstoffalurohr mit Schraub/Pressverbindung?
AntwortenLöschenDas steht im 2. Teil. Hauptsächlich Kupfer mit ein bisschen Aluverbund in Schraubverbindung :-)
LöschenHi. Kannst du mehr auf die Steuerung eingehen. Was man alles benötigt. Hab selbst so eine Anlage von meinem Schwiegervater übernommen, und das läuft nicht Mal annähernd so.;-( Muss dazu sagen dass ich überhaupt kein Plan über so etwas habe. Bin halt ein Koch und kein Elektriker.
AntwortenLöschen